











Takeuchi Full DVD 8,26GB Set Service Training, Service Manual, Operator, Part Manual
Description
Size: 8,26Gb
Language: English
Brand: Takeuchi
Type: Service Training, Service Manual, Operator , Part Manual
Format: pdf, ppt
Window: All Window 32 and 64 bit
Amount of DVD: 1 DVD
High-Speed Link download
Password extract: TFSSTSOPM
Contents:
1/ Moteur
2/ Operator manuals
3/ Parts
4/ Presentation
5/ Service manuals
6/ Service tool TNV
7/ TKB BREAKER
8/ Training Manual 2009
Models List:
1/ Moteur
Yanmar Engines (tier3) Service Tool
Engine for TB235
2/ Operator manuals
TB
TB R
OPERATORS MANUAL TB 016 AC4E023 TNV
OPERATORS MANUAL TB007 B4-108E0
OPERATORS MANUAL TB014 AC4E025-1 TIER 4 114100752-UP
OPERATORS MANUAL TB014_016 AC4F006(TNE) FRENCH
OPERATORS MANUAL TB014-016 AC4E017(ENGLISH) TNE
OPERATORS MANUAL TB014-016 AC4E022(ENGLISH) TNV
OPERATORS MANUAL TB015 OC3-106E0
OPERATORS MANUAL TB016 AC4E025-1 TIER 4 116110802-UP
OPERATORS MANUAL TB020 OD3-106E0
OPERATORS MANUAL TB025_030_035 OE3-313E0
OPERATORS MANUAL TB045 OK2-107E1
OPERATORS MANUAL TB53FR AJ1E007
OPERATORS MANUAL TB070 0L1-107E0
OPERATORS MANUAL TB108 AB5E006 TNE
OPERATORS MANUAL TB108 AB5E011 TNV
OPERATORS MANUAL TB108 AB5E012 TNV 108202134-UP
OPERATORS MANUAL TB108 AB5F003 FRENCH
OPERATORS MANUAL TB125_135_145 AG4E029 ENGLISH
OPERATORS MANUAL TB125_135_145 AG4F014 FRENCH
OPERATORS MANUAL TB125_135_145(E) AG4E022
OPERATORS MANUAL TB128FR AF5F001 FRENCH
OPERATORS MANUAL TB138_153_180FR AL5E003
OPERATORS MANUAL TB138_153_180FR AL5F003 FRENCH
OPERATORS MANUAL TB138-153-180FR AJ3F001(Tier3Engine) FRENCH
OPERATORS MANUAL TB138FR AJ3E003 IT4
OPERATORS MANUAL TB175 17512105 AL3F006 FRENCH
OPERATORS MANUAL TB175 17530001 AL7F000(Tier3engine) FRENCH
OPERATORS MANUAL TB175 AL3E008 TNE
OPERATORS MANUAL TB175 AL3E016 TNV
OPERATORS MANUAL TB175 AL7E001 INTERIM TIER4 17530314-1105
OPERATORS MANUAL TB175 AL7E002 TIER4 17531106-UP
OPERATORS MANUAL TB175-175301106 AL7F001 FRENCH
OPERATORS MANUAL TB175W AW2E006 17520209-UP ENGLISH
OPERATORS MANUAL TB175W AW3E002 175400095-UP ENGLISH
OPERATORS MANUAL TB175W-17540001 AW3F000 FRENCH
OPERATORS MANUAL TB180FR AJ3E003 IT4
OPERATORS MANUAL TB219 AD6F000 FRENCH
OPERATORS MANUAL TB219 AD6F001 FRENCH
OPERATORS MANUAL TB228 AG7E006
OPERATORS MANUAL TB228_235_250 AG7F004 FRENCH
OPERATORS MANUAL TB235 AG7E006
OPERATORS MANUAL TB250 AG7E006
OPERATORS MANUAL TB285 AM1E003
OPERATORS MANUAL TB285 AM1F001 FRENCH
OPERATORS MANUAL TB1140 51400007- AN0F003 FRENCH
OPERATORS MANUAL TB1140 51410001- AN1F000 FRENCH
OPERATORS MANUAL TB1140 51420001- AN2F000 FRENCH
OPERATORS MANUAL TB1140 AN0E004
OPERATORS MANUAL TB1140 AN1E00 TNV
OPERATORS MANUAL TB1140 AN2E001
OPERATORS MANUAL TB1200AL 1984
TB28FR AF4F001 FRENCH
TB53FR AJ1E007
TB128FR AF5F001 FRENCH
TB138_153_180FR AJ3E002
TB138_153_180FR AL5E003
TB138_153_180FR AL5F003 FRENCH
TL
OPERATORS MANUAL TL120_130_140_150 AT7E023
OPERATORS MANUAL TL120_130_140_150 AT7F005 FRENCH
OPERATORS MANUAL TL130_150 AT7E005 TNE
OPERATORS MANUAL TL220_230_240_250 AU1E001
OPERATORS MANUAL TL220_230_240_250 AU1E004US
OPEOPERATORS MANUAL TL220_230_240_250 AU1F000 FRENCH
OPERATORS MANUAL TL230 SERIES 2 AU5F001 FRENCH
OPERATORS MANUAL TL230 SERIES2 AU5E001
OPERATORS MANUAL TW50-60 8016655
OPERATORS MANUAL TW65 8016656
OPERATORS MANUAL TW80 8016657
3/ Parts
OPERATORS MANUAL TB219 AD6F000 FRENCH
PARTS MANUAL TB180FR BL5Z004-1
PARTS MANUAL TB180FR BL8Z001-1
SERVICE MANUAL TB180FR CL8E001 INTERIM TIER 4 17840001-UP
Hammer TKB-801 801S
OPERATORS MANUAL TL120_130_140_150 AT7E023
PARTS MANUAL TB10S-650S
PARTS MANUAL TB014 BC4Z004
PARTS MANUAL TB014 BC4Z107 TIER4
PARTS MANUAL TB015 PC3-101Z6
PARTS MANUAL TB016 BD4Z001
PARTS MANUAL TB016 BD4Z106-1 TNV
PARTS MANUAL TB020 PD3-101Z1
PARTS MANUAL TB020 PD3-102Z4
PARTS MANUAL TB035 1355001-1358193
PARTS MANUAL TB070 PL1-101Z5-1
PARTS MANUAL TB108 BB5Z004-1
PARTS MANUAL TB108 BB5Z104-1
PARTS MANUAL TB108 BB5Z105
PARTS MANUAL TB125 BE5Z010
PARTS MANUAL TB135 BG4Z010
PARTS MANUAL TB138FR BG5Z002
PARTS MANUAL TB138FR BG6Z002 IT4
PARTS MANUAL TB145 BK3Z010
PARTS MANUAL TB153FR BJ2Z005 15820004-15829999
PARTS MANUAL TB153FR BJ3Z003-1
PARTS MANUAL TB175 BL3Z010
PARTS MANUAL TB175 BL7Z002-2 TIER3
PARTS MANUAL TB175W BW2Z008-1 17520003-UP
PARTS MANUAL TB175W BW3Z001 17540001-UP
PARTS MANUAL TB180FR BL5Z004-1
PARTS MANUAL TB180FR BL8Z001-1
Parts Manual TB216
PARTS MANUAL TB228 BE7Z002 122800001-UP
PARTS MANUAL TB235 BG7Z003-1 IT4
PARTS MANUAL TB250 BK7Z002 IT4
PARTS MANUAL TB285 BM1Z001-1
PARTS MANUAL TB1140 BN0Z009-1
PARTS MANUAL TB1140 BN1Z004 51410002-UP TAK UC
PARTS MANUAL TB1140 BN2Z003 SN51420001-UP TIER 3
PARTS MANUAL TL10
PARTS MANUAL TL120 BT3Z001-2
PARTS MANUAL TL130 BT8Z012
PARTS MANUAL TL140 BT9Z009-2
PARTS MANUAL TL150 BT7012
PARTS MANUAL TL220 BU0Z002
PARTS MANUAL TL230 BU1Z005
PARTS MANUAL TL230 BU5Z001 SERIES 2
PARTS MANUAL TL240 BU2Z004-1
PARTS MANUAL TL250 BU3Z005-2 TIER 3
PARTS MANUAL TW50 8016563 SN E104063
PARTS MANUAL TW50 8017699 01.10 SN E105833
PARTS MANUAL TW50 Engine HP81485U
PARTS MANUAL TW60 8016564 SN E104062
PARTS MANUAL TW60 8017235 01.10 SN E106776
PARTS MANUAL TW60 Engine HR81486U
PARTS MANUAL TW65 8016561 SN E103939
PARTS MANUAL TW80 8016562 SN E104078
PARTS MANUAL TW80 8020870 01.10 SN E107240
PARTS_MANUAL_TB15_1997_VER_6[2]
TB14_PARTS_MANUAL
TB25
TB68S
TKB-51, 51S
TKB70
TKB-70
TKB-71, 71S
TKB-101, 101S
TKB-201, 201S
TKB-301, 301S
TKB-401, 401S
TKB-801, 801S
TKB-1101, 1101S
TKB-1401, 1401S
TKB-1600, 1600S
TKB-2000, 2000S
TKB-3000, 3000S
TB007
TB10S
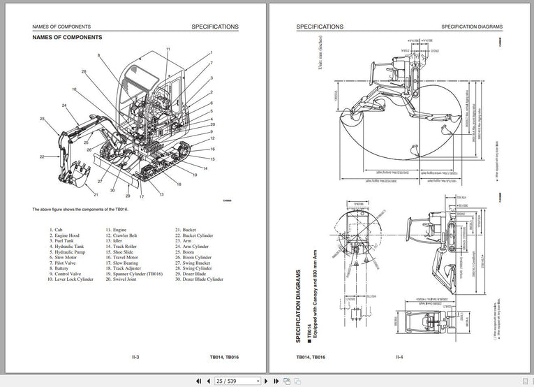
TB014
TB015 PC3
TB15 1997 VER 6
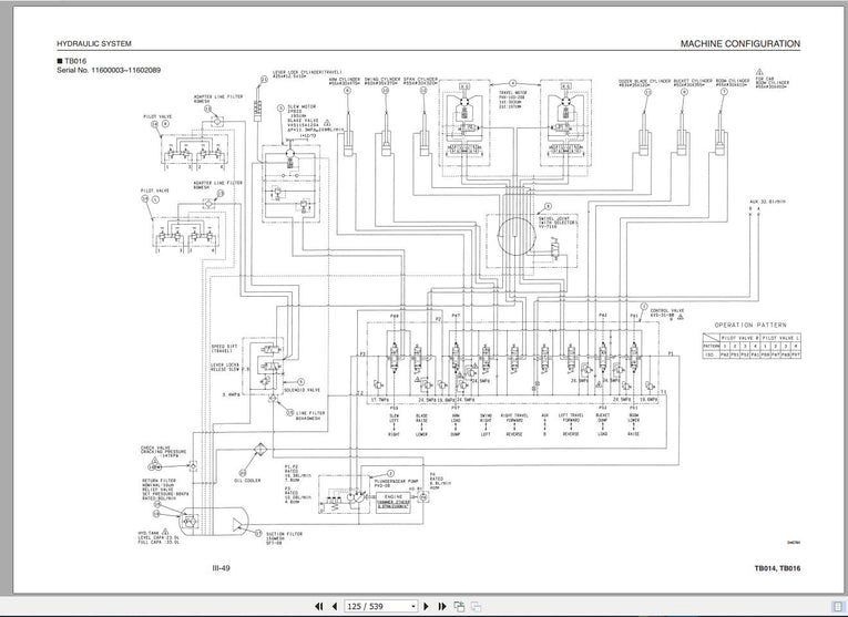
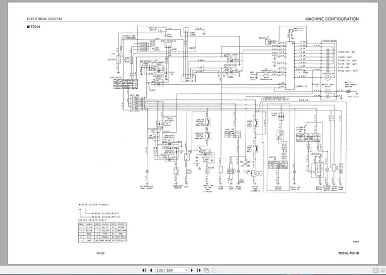
TB016
TB020 PD3
TB21
TTB25PUB 4
TB035 PG3
TB35S
TB36 1992
TB045 PK2
TB45 PUB 4
TB68S
TB070 PL1-101Z5
TB070W PW1-101Z1
TB108
TB125
TB135
TB145
TB175
TB175W
TB228
TB235
TB235 (SN 123500001 et plus)
TB250
TB800 PUB 2
TB1140
TB1200AL
TB2200
PARTS MANUAL TB285 BM1Z001-1
SERVICE MANUAL TB1140-51400001 CN0E000
TB23R
TB25FR #BE4Z001
TB28FR
TB53FR #BJ1Z005
TB80FR #BL2Z006
TB138FR BGZ000
TB153FR
TB180FR
TCR50 #BS2Z002
TCR50 #BS2Z003
TL26 Book No PT5 101Z5 S N 2
TL26 Book No PT5-101Z5
TL120 BT3Z001-1
TL126 Book No PT5 101Z5 S N
TL126 Book No PT5-101Z5
TL130 #BT8Z007
TL130 #BT8Z009
TL130 #BT8Z010
TL130 #BT8Z011
TL130 BT8Z008
TL130 BT8Z012
TL140 #BT9Z004
TL140 #BT9Z006
TL140 #BT9Z007
TL140 #BT9Z008
TL140 BT9Z005
TL140 BT9Z009-2
TL150 #BT7Z006
TL150 #BT7Z007
TL150 #BT7Z008
TL150 #BT7Z009
TL150 #BT7Z010
TL150 BT7Z011-2
TL220 BU0Z000
TL230 BU1Z003
TL240 BU2Z001
TL250 BU3Z003
TW50 8016563 SN E104063
TW50 8017699 01.10 SN E105833
TW50 Engine HP81485U
TW60 8016564 SN E104062
TW60 8017235 01.10 SN E106776
TW60 Engine HR81486U
TW65 8016561 SN E103939
TW65 8020866 01.10 SN E106266
TW65_8016561_SN_E103939
TW65_8020866_SN_E106266
TW80 8016562 SN E104078
TW80 8020870 01.10 SN E107240
4/ Presentation
2008 - 2009 TB Intro
2008 - 2009 TL Intro
2008 - 2009 TL Training
2008 - 2009 Track Training
2008 - 2009 TW Training
TB Interference Prevention Systems
5/ Service manuals
Takeuchi Service manuals
ASERVICE MANUAL TB014_016 CC4E001TNE
SERVICE MANUAL TB014_016 CC4E002TNV
SERVICE MANUAL TB015 WC3-101E5
SERVICE MANUAL TB020 WD3-101E1
SERVICE MANUAL TB025_030_035 WE3-301E2
SERVICE MANUAL TB045 WK2-101E2
SERVICE MANUAL TB070 WL1-101E4
SERVICE MANUAL TB108 CB5E001 TNE
SERVICE MANUAL TB108 CB5E002
SERVICE MANUAL TB125_135_145 CG4E004
SERVICE MANUAL TB128FR CF5F000 FRENCH
SERVICE MANUAL TB138FR CG5E001
SERVICE MANUAL TB138FR CG5F001 FRENCH
SERVICE MANUAL TB138FR CG6E001 Tier3
SERVICE MANUAL TB153FR CJ2E000 TNE
SERVICE MANUAL TB153FR CJ3E001 TNV (1)
SERVICE MANUAL TB153FR-15820004 CJ2F000 FRENCH
SERVICE MANUAL TB153FR-15830001 CJ3F001 FRENCH
SERVICE MANUAL TB175 CL3E003
SERVICE MANUAL TB175 CL3E003
SERVICE MANUAL TB175 CL7E001 IT4
SERVICE MANUAL TB175W CW3E001
SERVICE MANUAL TB180FR CL5E000 TIER3 17830004-17840000
SERVICE MANUAL TB180FR CL8E001 INTERIM TIER 4 17840001-UP
SERVICE MANUAL TB180FR-17840001 CL8F001 FRENCH
SERVICE MANUAL TB216 CC7E002 SN 216100002~
SERVICE MANUAL TB219-A CD6F000 FRENCH
SERVICE MANUAL TB228 CE7E004
SERVICE MANUAL TB230 CE8E000 SN 130000003~
SERVICE MANUAL TB235 CG7E003
SERVICE MANUAL TB235 CG7F000 FRENCH
SERVICE MANUAL TB240 CG8E000 SN 124000003~
SERVICE MANUAL TB250 CK7E004
SERVICE MANUAL TB250 CK7F000 FRENCH
SERVICE MANUAL TB260 CQ1E001
SERVICE MANUAL TB285 CM1E001
SERVICE MANUAL TB250 CK7F000 FRENCH
SERVICE MANUAL TB260 CQ1E001
SERVICE MANUAL TB285 CM1E001
SERVICE MANUAL TB290 CM3E003 SN 185100111~
SERVICE MANUAL TB1140 CN0E000
SERVICE MANUAL TB1140 CN2E003 TIER 3 51420001-UP
SERVICE MANUAL TB1140 CN3E002 SN 514400002~
SERVICE MANUAL TB1140-51400001 CN0F000 FRENCH
SERVICE MANUAL TB1140-51420001 CN2F001 FRENCH
SERVICE MANUAL TB1140TAK CN1E000
SERVICE MANUAL TL8 CU8E000 SN 200800002
SERVICE MANUAL TL120 CT3E001
SERVICE MANUAL TL120 CT3F000 FRENCH
SERVICE MANUAL TL130 CT8E003
SERVICE MANUAL TL140 CT9E003
SERVICE MANUAL TL150 CT7E002
SERVICE MANUAL TL220 CU0E001
SERVICE MANUAL TL220 CU0F000 FRENCH
SERVICE MANUAL TL230 CU1E002
SERVICE MANUAL TL230 CU1F000 FRENCH
SERVICE MANUAL TL230 CU1F001 FRENCH
SERVICE MANUAL TL230 SERIES 2 CU5F000 FRENCH
SERVICE MANUAL TL230 SERIES2 CU5E001
SERVICE MANUAL TL240 CU2E002
SERVICE MANUAL TL240 CU2F001 FRENCH
SERVICE MANUAL TL250 CU3E004
SERVICE MANUAL TL250 CU3F002 FRENCH
SERVICE MANUAL TS50V 7006-201rev111213
SERVICE MANUAL TW50 08-08-07
SERVICE MANUAL TW60 08-08-07
SERVICE MANUAL TW65 08-08-07
SERVICE MANUAL TW80 08-08-07
TB216(216100002~)CC7E001(WETB216_F-XB)
TB
SERVICE MANUAL TB014_016 CC4E001TNE
SERVICE MANUAL TB014_016 CC4E002TNV
SERVICE MANUAL TB015 WC3-101E5
SERVICE MANUAL TB020 WD3-101E1
SERVICE MANUAL TB025_030_035 WE3-301E2
SERVICE MANUAL TB045 WK2-101E2
SERVICE MANUAL TB070 WL1-101E4
SERVICE MANUAL TB108 CB5E001 TNE
SERVICE MANUAL TB108 CB5E002
SERVICE MANUAL TB125_135_145 CG4E004
SERVICE MANUAL TB175 CL3E003
SERVICE MANUAL TB175 CL7E001 IT4
SERVICE MANUAL TB219-A CD6F000 FRENCH
SERVICE MANUAL TB228 CE7E004
SERVICE MANUAL TB235 CG7E003
SERVICE MANUAL TB235 CG7F000 FRENCH
SERVICE MANUAL TB250 CK7E004
SERVICE MANUAL TB250 CK7F000 FRENCH
SERVICE MANUAL TB260 CQ1E001
SERVICE MANUAL TB285 CM1E001
SERVICE MANUAL TB1140 CN0E000
SERVICE MANUAL TB1140 CN2E003 TIER 3 51420001-UP
SERVICE MANUAL TB1140-51400001 CN0F000 FRENCH
SERVICE MANUAL TB1140-51420001 CN2F001 FRENCH
SERVICE MANUAL TB1140TAK CN1E000
TB FR
SERVICE MANUAL TB128FR CF5F000 FRENCH
SERVICE MANUAL TB138FR CG5E001
SERVICE MANUAL TB138FR CG5F001 FRENCH
SERVICE MANUAL TB138FR CG6E001 Tier3
SERVICE MANUAL TB153FR CJ2E000 TNE
SERVICE MANUAL TB153FR CJ3E001 TNV (1)
SERVICE MANUAL TB153FR-15820004 CJ2F000 FRENCH
SERVICE MANUAL TB153FR-15830001 CJ3F001 FRENCH
SERVICE MANUAL TB180FR CL5E000 TIER3 17830004-17840000
SERVICE MANUAL TB180FR CL8E001 INTERIM TIER 4 17840001-UP
SERVICE MANUAL TB180FR-17830004 CL5F000 FRENCH
SERVICE MANUAL TB180FR-17840001 CL8F001 FRENCH
TB R
TB23R #CD5F000
TB23R#CD5E000
TB W
SERVICE MANUAL TB175W CW3E001
TCR
TCR50#CS2E000
TL
Circuit Hydrolique & électrique TL
TL-26-126
SERVICE MANUAL TL120 CT3E001
SERVICE MANUAL TL120 CT3F000 FRENCH
SERVICE MANUAL TL130 CT8E003
SERVICE MANUAL TL140 CT9E003
SERVICE MANUAL TL150 CT7E002
SERVICE MANUAL TL220 CU0E001
SERVICE MANUAL TL220 CU0F000 FRENCH
SERVICE MANUAL TL230 CU1E002
SERVICE MANUAL TL230 CU1F000 FRENCH
SERVICE MANUAL TL230 CU1F001 FRENCH
SERVICE MANUAL TL230 SERIES 2 CU5F000 FRENCH
SERVICE MANUAL TL230 SERIES2 CU5E001
SERVICE MANUAL TL240 CU2E002
SERVICE MANUAL TL240 CU2F001 FRENCH
SERVICE MANUAL TL250 CU3E004
SERVICE MANUAL TL250 CU3F002 FRENCH
TW
SERVICE MANUAL TW50 08-08-07
SERVICE MANUAL TW60 08-08-07
SERVICE MANUAL TW65 08-08-07
SERVICE MANUAL TW80 08-08-07
6/ Service tool TNV
TB Interference Prevention Systems [Compatibility Mode]
TNV ServiceTool%20Operation(0DTNV-G00100)
TNV(0BTNV-G00101)
TNVElectronicControl(0DTNV-G00400)
TNVTroubleshooting(0DTNV-G00600)
7/ TKB BREAKER
TKB-51, 51S
TKB-70
TKB-71, 71S
TKB-101, 101S
TKB-201, 201S
TKB-301, 301S
TKB-401, 401S
TKB-801, 801S
TKB-1101, 1101S
TKB-1401, 1401S
TKB-1600, 1600S
TKB-2000, 2000S
TKB-3000, 3000S
8/ Training Manual 2009
100 Series Training Manual 2009
200 Series Training Manual 2009
