










Bobcat BATS 2022 Bobcat Advance Troubleshooting System
Description
Last update: 01.2022
Size: 6.10 Gb
Region: All regions
Type: Service Manual, Troubleshooting, Maintenance Manual, Operator manual & Diagrams for Bobcat Machinery
Language: English, German, Spanish, Russian, French, Italian, Dutch
OS: Win 10, Win 8, Win 7, Win Vista, Win XP
Instructions: Present
Installation: Full
Number of Discs: 1 DVD-DL
Version: v2.4.1.257
High speed download link
Only offline working, Update not availble
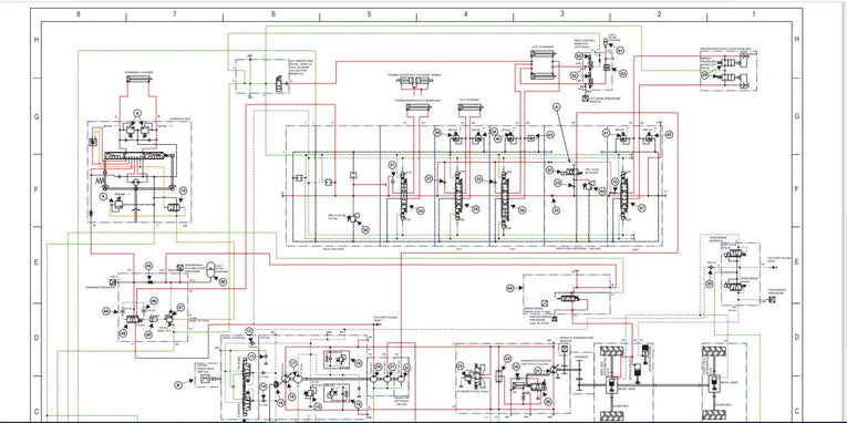
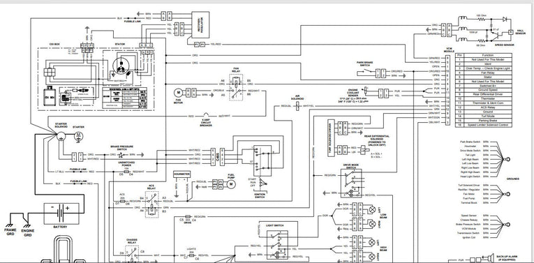
Bobcat BATS 2021 Version 2.4 includes technical information for Bobcat excavators, telescopic loaders and contains information such as wiring diagrams, hydraulic diagrams, service manuals, error codes, service bulletins, modifications, components, safety and maintenance instructions, etc.
List of Models:
– Backhoe Loader
– Toolcat Work machine
– Excavator
– Telescopic Handler
– Loader
– Articulated Loader
